Scheme Comanda Motor Pas Cu Pas





Circuit De Comanda Pentru Motoarele Pas Cu Pas Control Motor Pas Cu Pas Electrokits Ro Kituri Electronice Carti Electronica Cursuri Electronica

Circuit De Comanda Pentru Motoarele Pas Cu Pas Control Motor Pas Cu Pas Electrokits Ro Kituri Electronice Carti Electronica Cursuri Electronica

Driver Stepper Tb6600 3 5a 2 Faze Bipolar Radiator Racire

Driver Stepper Tb6600 3 5a 2 Faze Bipolar Radiator Racire

Circuit De Comanda Pentru Motoarele Pas Cu Pas Control Motor Pas Cu Pas Electrokits Ro Kituri Electronice Carti Electronica Cursuri Electronica

Circuit De Comanda Pentru Motoarele Pas Cu Pas Control Motor Pas Cu Pas Electrokits Ro Kituri Electronice Carti Electronica Cursuri Electronica

Driver Pentru 1 Motor Pas Cu Pas Hardware Cnc Elforum Forumul Electronistilor

Driver Pentru 1 Motor Pas Cu Pas Hardware Cnc Elforum Forumul Electronistilor

Circuite De Comandă Si Control Pentru Acţionări Electrice Electronica Azi

Circuite De Comandă Si Control Pentru Acţionări Electrice Electronica Azi

Motoare Pas Cu Pas Modelism Rhc Forum

Motoare Pas Cu Pas Modelism Rhc Forum

Motoare Pas Cu Pas Modelism Rhc Forum

Comanda Motor Pas Cu Pas 2008

Comanda Motor Pas Cu Pas 2008

Circuit De Comanda Pentru Motoarele Pas Cu Pas Control Motor Pas Cu Pas Electrokits Ro Kituri Electronice Carti Electronica Cursuri Electronica

Circuit De Comanda Pentru Motoarele Pas Cu Pas Control Motor Pas Cu Pas Electrokits Ro Kituri Electronice Carti Electronica Cursuri Electronica

Http Www Conexclub Ro Download Feb06 Pdf

Http Www Conexclub Ro Download Feb06 Pdf

Arhive Motor Pas Cu Pas Electrodb Ro

Arhive Motor Pas Cu Pas Electrodb Ro

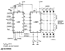
Comanda Pentru Un Motor Pas Cu Pas Cu L297 L298

Comanda Pentru Un Motor Pas Cu Pas Cu L297 L298

Nicu Florica Niq Ro Comanda Unui Motor Pas Cu Pas Unipolar Folosind Arduino

Nicu Florica Niq Ro Comanda Unui Motor Pas Cu Pas Unipolar Folosind Arduino

Http Cursuri Flexform Ro Courses L2 Document Cluj Napoca Grupa7 Peter Arpad Site Pascomanda Pdf

Http Cursuri Flexform Ro Courses L2 Document Cluj Napoca Grupa7 Peter Arpad Site Pascomanda Pdf

Proiecte Robo Romania

Proiecte Robo Romania

Referat Comanda Unui Motor Pas Cu Pas Folosind Microcontrollerul Pic12f675 Electronica 323036

Referat Comanda Unui Motor Pas Cu Pas Folosind Microcontrollerul Pic12f675 Electronica 323036

Sistem Mobil Comandat Prin Infrarosu

Sistem Mobil Comandat Prin Infrarosu

Realizare Driver Mpp Cu Pic Si L298 Page 2 Hardware Cnc Elforum Forumul Electronistilor

Realizare Driver Mpp Cu Pic Si L298 Page 2 Hardware Cnc Elforum Forumul Electronistilor

Stepper Motor Montaje Si Scheme Electronice

Stepper Motor Montaje Si Scheme Electronice

Arhive Motor Pas Cu Pas Electrodb Ro

Arhive Motor Pas Cu Pas Electrodb Ro

Motoare Pas Cu Pas Modelism Rhc Forum

Motoare Pas Cu Pas Modelism Rhc Forum

Source : pinterest.com